NEOWAY GPRS Module M660 Sample Project SCH & PCB - Altium Designer by Lyuben Lyubenov
€15
https://schema.org/InStock
eur
Lyuben Lyubenov
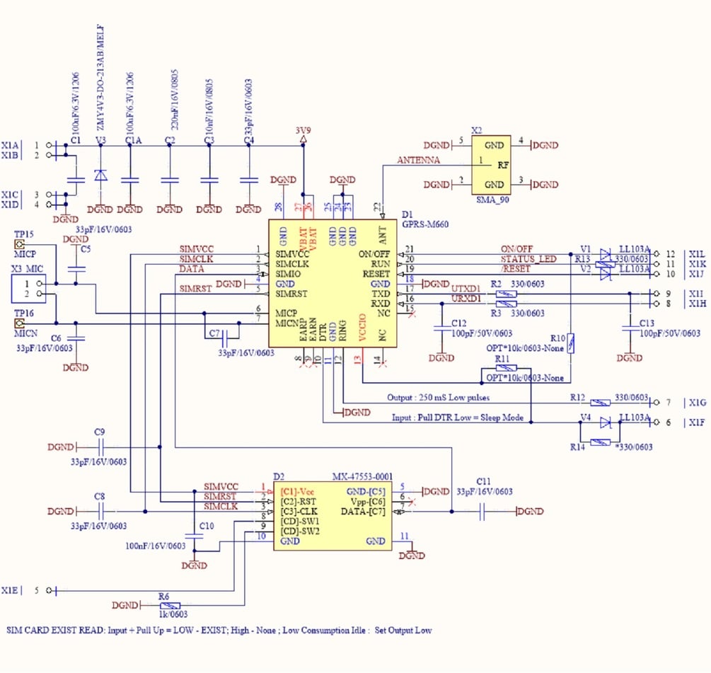
Sample Project Using NEOWAY GSM/GPRS Module M660 + standard SIM card socket.
The Project is made with Altium Designer V15.
The project includes one SCH and one PCB file.
PCB Project you will find Schematics .SCH file, PCB Board File .PCB
GSM/ GPRS 4-Band Module
Add to wishlist